获奖作品展

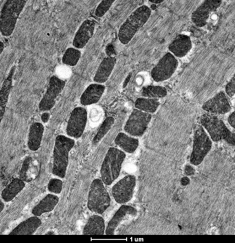
道路

发布时间:2022-07-13

  作品说明:小鼠心肌组织的超微结构 

  图片描述:肌丝束构成广阔的平原,其中平行分布着的线粒体就构成了一条条的道路…… 

  图片来源:科学研究平台生物成像中心Tencai Spirit 120kV透射电子显微镜,样品制备采用高压冷冻、冷冻替代、超薄切片技术。 


联系我们

  • 地址:北京市朝阳区大屯路15号
  • 电话:010-64888419